▌PQ580SF Характеристики ЧРП:
Отличные водо- и пылезащитные характеристики позволяют использовать его в самых разных жестких условиях.
полностью герметичный частотный преобразователь с вентилятором с высоким уровнем защиты IP67.
Вся серия инверторов имеет шасси из листового металла с лакокрасочным покрытием, что обеспечивает повышенную безопасность, коррозионную стойкость и длительный срок службы.
Поддерживает входы аналогового сигнала температуры PT100/PT1000.
В состав входят высококачественные конденсаторы с длительным сроком службы, рассчитанные на 10 000 часов работы при температуре 105℃.
Водонепроницаемые вентиляторы, кожухи вентиляторов из нержавеющей стали и независимая конструкция охлаждающих каналов обеспечивают эффективный отвод тепла, упрощают чистку и обслуживание.
Обеспечивает 0,1-секундный выход с защитой кривой тока 200% для увеличения крутящего момента.
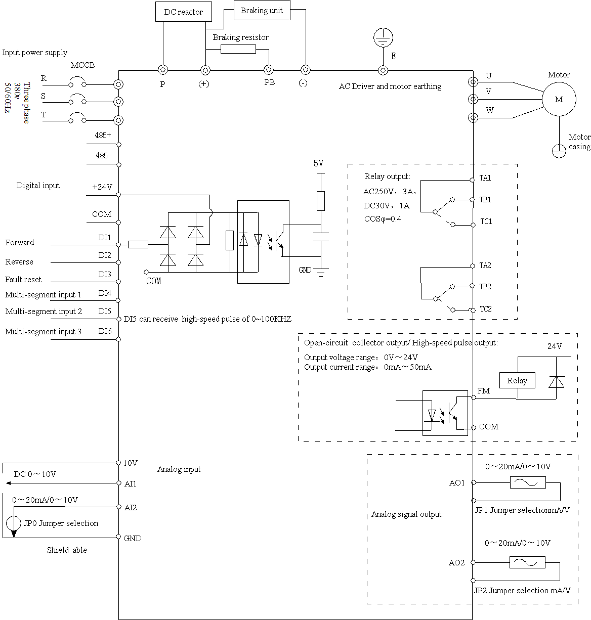
Интегрированные функции ПИД и ПЛК (с возможностью многоскоростного управления через ПЛК или порты управления с помощью многофункциональных цифровых входов DI1-DI6) упрощают внедрение интеллектуальных систем управления и сокращают время и затраты на оборудование для пользователей.
Обеспечивает комплексную защиту от обрыва фазы, перенапряжения, перегрузки по току и отказов как двигателя, так и привода.
Обеспечивает мощное управление двигателем с поддержкой бессенсорного векторного управления SVC и управления V/F.
Обеспечивает тысячи настраиваемых параметров для широкой функциональности.
Работает в широком диапазоне напряжений от -15% до +20%, что расширяет возможности его применения.
▌Применение:
На улице: Хорошая защита от пыли и брызг для таких применений, как сельскохозяйственный полив, фонтаны и наружное освещение.
Промышленность: Надежны в пыльных, не требующих промывки под высоким давлением промышленных условиях, таких как легкое производство и обработка материалов.
Влажность: Подходит для влажных, подверженных брызгам сред, таких как аквакультура и зоны непрямой мойки в пищевой промышленности.
| Артикул | Технические характеристики | |
| Вход Выход | Диапазон напряжения | Вход: 1 фаза 220В±15%, Выход: 3 фазы 200~240В, |
| Вход: 1 фаза 220В±15%, Выход: 3 фазы 380~440В, | ||
| Вход: 3 фазы 220В±15%, Выход: 3 фазы 200~240В, | ||
| Вход: 3 фазы 380В±15%, Выход: 3 фазы 380~440В, | ||
| Основная функция | Тип двигателя | асинхронный двигатель |
| Синхронный двигатель с постоянными магнитами | ||
| Максимальная частота | Векторное управление:0~300 Гц V/F управление:0~3000 Гц | |
| Несущая частота | 0.5kHz~15kHz; несущая частота будет автоматически регулироваться в зависимости от характеристик нагрузки. | |
| Разрешение входной частоты | Цифровая настройка: 0,1 Гц | |
| Аналоговая настройка: 0.01В, соответствующая максимальной частоте ×0.025% | ||
| Режим управления | Векторное управление в открытом контуре, V/F-управление, управление моментом, PID | |
| Крутящий момент при запуске | Векторное управление в открытом контуре: 0,5 Гц 180%, V/F управление: 0,5 Гц 150% | |
| Регулируемая скоростьДиапазон | Векторное управление в открытом контуре 1:200, управление V/F: 1:100 | |
| Точность скорости в установившемся режиме | Векторное управление в открытом контуре ±0.2%, V/F управление ±0.5% | |
| Точность регулирования крутящего момента | ±5%(SVC) | |
| Возможность перегрузки | Тип G: 150% номинальный ток 60с, 180% номинальный ток 3с | |
| Тип P: 120% номинальный ток 60с, 150% номинальный ток 3с | ||
| Увеличение крутящего момента | Автоматическое усиление крутящего момента, ручное усиление крутящего момента 0.1%~30.0% | |
| Кривая V/F | Тип линии: многоточечная, N-мощная кривая V/F | |
| Режим рампы | Прямолинейная рампа; S-образная рампа; | |
| Четыре группы времени ускорения/замедления с диапазоном от 0,0 до 3200,0 с. | ||
| Тормоз постоянного тока | Частота торможения постоянным током: от 0,00 Гц до максимальной частоты. | |
| Время торможения: 0,0с - 36,0с | ||
| Значение тока торможения: 0.0%~100.0% | ||
| Простое многоскоростное управление с помощью ПЛК | Реализация до 16 скоростей работы через встроенный ПЛК или терминал управления. | |
| Встроенный ПИД | Он легко реализует систему управления с замкнутым контуром, контролируемую технологическим процессом. | |
| Автоматический регулятор напряжения (AVR) | Автоматически регулирует выходное напряжение для поддержания постоянного уровня независимо от колебаний напряжения в сети. | |
| Контроль перегрузки по напряжению/току | Ток и напряжение автоматически ограничиваются в процессе работы, чтобы избежать частых отключений из-за перенапряжения/перегрузки по току. | |
| Ограничитель тока неисправности | Защитите преобразователь, минимизировав перегрузки по току. | |
| Ограничение и регулирование крутящего момента | Он может автоматически ограничивать крутящий момент и предотвращать частые отключения при перегрузке по току в процессе работы. | |
| Индивидуальные варианты | Отличная производительность | Реализуйте управление двигателем с помощью усовершенствованного векторного управления током. |
| Отказоустойчивость: | Рекуперативное торможение при просадке напряжения позволяет инвертору поддерживать работу. | |
| Контроль времени | Функция управления временем: диапазон времени 0,0~3200,0 мин. | |
| Поддержка автобусов | RS-485:Modbus | |
| Бег | Выполнение команды Источник | Панель управления/Клеммы управления/Последовательный порт связи. Переключение между этими источниками можно осуществлять различными способами. |
| Источник частоты | Цифровая настройка, настройка аналогового напряжения, настройка аналогового тока, настройка импульсов и настройка последовательного порта связи. | |
| Вспомогательный источник частоты | 10 видов источников вспомогательных частот. Гибкая реализация тонкой настройки вспомогательных частот и синтеза частот. | |
| Входной терминал сигнала управления | 6 цифровых входных терминалов, один из которых поддерживает высокоскоростной импульсный вход до 20 кГц. | |
| 2 клеммы аналогового ввода, одна из которых поддерживает только ввод напряжения 0-10 В, а другая - ввод напряжения 0-10 В или тока 4-20 мА. | ||
| Выходной терминал управляющего сигнала | 1 цифровой выходной терминал; | |
| 2 клеммы релейного выхода; | ||
| 2 аналоговых выходных терминала, поддерживающих токовый выход 0-20 мА или выход напряжения 0-10 В; | ||
| Панель управления | СВЕТОДИОДНЫЙ ИНДИКАТОР | Пятиразрядное цифровое считывание |
| Блокировка клавиш и выбор функций | Он может частично или полностью блокировать клавиши и определять диапазон функций некоторых клавиш, чтобы предотвратить неправильное функционирование. | |
| 25 Функция защиты | Обнаружение короткого замыкания двигателя при включении, защита от обрыва фазы на входе/выходе, защита от перегрузки по току, защита от перенапряжения, защита от пониженного напряжения, защита от перегрева и защита от перегрузки. | |
| Окружающая среда | Среда установки | Внутри помещения избегайте попадания прямых солнечных лучей, соли, пыли, едкого или горючего газа, дыма, пара. |
| Высота | Ниже 1000 метров над уровнем моря. (уменьшите уровень нагрузки при использовании на высоте более 1000 метров над уровнем моря) | |
| Температура окружающей среды | От -10 ℃ до +40 ℃ (при температуре окружающей среды от 40 ℃ до 50 ℃) | |
| Влажность | Менее 95%RH, без конденсации | |
| Вибрация | Менее 5,9 м/с (0,6g) | |
| Структура | Уровень защиты | IP20 |
| Метод охлаждения | Принудительное воздушное охлаждение | |
| Способ установки | Настенный или напольный электрический шкаф управления. | |


Пожалуйста, свяжитесь с нашими профессиональными техническими инженерами, Мы сделаем все возможное, чтобы служить вам
Отсканируйте код, чтобы получить дополнительную информацию