▌Характеристики инвертора фотоэлектрического водяного насоса:
Частотно-регулируемый привод (ЧРП) для обеспечения максимального крутящего момента при минимальном солнечном свете.
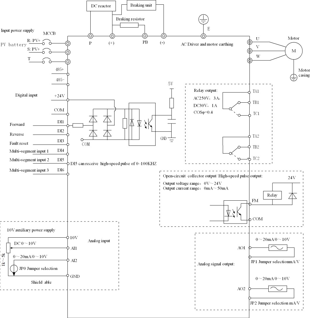
Подходит для трехфазных асинхронных двигателей, основных фотоэлектрических модулей.
В системе используются эффективные погружные/поверхностные насосы переменного тока для удовлетворения различных требований.
Насос может быть напрямую подключен к системе капельного орошения, фонтанной системе.
Эффективность преобразования составляет более 98%, наряду с высокой надежностью;
Цифровое управление с полным автоматическим управлением, сохранением данных и полной защитной функцией;
Интеллектуальный силовой модуль (IPM) для главной цепи с высокой надежностью;
Удаленный мониторинг, гибкое применение, умный и надежный, возможность переключения на работу от сети.
Встроенный интеллектуальный модуль IGBT, встроенная защита от перегрузки по напряжению, перегрузки по нагрузке, перегрева и сухого хода.
Без батарей, полностью питается от солнечной энергии, подходит для различных применений, достигает экономичности, прост в обслуживании.
Были приняты меры по защите от блокировки насоса, трехфазного баланса и т.д., что позволило продлить срок службы насоса и контроллера.
Встроенная функция защиты водяного насоса: "Сухая скважина", "Перелив", "Перегрузка на выходе", "Низкое входное напряжение", "Повышенное входное напряжение", "Повышенная температура", "Молния".
Применяется автоматическое управление, например, автоматический запуск и закрытие по расписанию, автоматическое закрытие при заполнении бака и автоматическое закрытие при нехватке воды.

Широкий диапазон уровней напряжения и мощности
Поддержка трех фаз 220 В и трех фаз 380 В солнечный водяной насос VFDМощность от 0,75 кВт до 75 кВт
Простота в использовании
Просто подключите фотоэлектрическую панель к VFD, не нужно устанавливать никаких параметров, и насос PV может быть автоматически запущен после включения питания
Многочисленные меры защиты
Он имеет такие функции защиты, как защита от перенапряжения фотоэлектрических элементов, сигнализация об обратной полярности подключения фотоэлектрических элементов, автоматическое снижение температуры и т.д., что позволяет эффективно продлить срок службы изделия
Усовершенствованный алгоритм MPPT
Метод управления, работа насоса автоматически регулируется для достижения максимальной выработки энергии системы. Эффективность отслеживания солнечной энергии может достигать 99%



| Модель преобразователя частоты | Мощность | Входной ток | Выходной ток | Адаптивный двигатель | Периферийные размеры | Установочное отверстие | Фасад | ||||
| КВА | A | A | KW | H | W | D | A | B | Φ | # | |
| Промышленность 1Ph 220V±10%;Солнечный DC 180V~450V; | |||||||||||
| PQ580-R40G1B | 1 | 5.4 | 2.5 | 0.4 | 162 | 105 | 150 | 95 | 150 | Φ5.0 | ФИГ.1 |
| PQ580-R75G1B | 1.5 | 8.2 | 3.8 | 0.75 | |||||||
| PQ580-1R5G1B | 3 | 14 | 7 | 1.5 | |||||||
| PQ580-2R2G1B | 4 | 23 | 9 | 2.2 | |||||||
| Промышленные 3Ph 340-460V; Солнечные DC 350V~750V; | |||||||||||
| PQ580PV-R75G4 | 1.5 | 3.4/5.0 | 2.1/3.8 | 0.75/1.5 | 162 | 105 | 150 | 95 | 150 | 5Φ | ФИГ.1 |
| PQ580PV-1R5G4 | 3 | 5.0/5.8 | 3.8/5.1 | 1.5/2.2 | |||||||
| PQ580PV-2R2G4 | 4 | 5.8/9 | 5.1/7.0 | 2.2/3.0 | |||||||
| PQ580PV-3R0G4 | 4.5 | 9/10.5 | 7.0/9.0 | 3.0/3.7 | |||||||
| PQ580PV-3R7G4 | 5.9 | 10.5/14.6 | 9.0/13 | 3.7/5.5 | 186 | 119 | 165 | 107 | 175 | 5Φ | ФИГ.2 |
| PQ580PV-5R5G4 | 8.9 | 14.6/20.5 | 13/17 | 5.5/7.5 | |||||||
| PQ580PV-7R5G4 | 11 | 20.5/26 | 17/25 | 7.5/11 | 248 | 161 | 185 | 148 | 236 | 6Φ | ФИГ.3 |
| PQ580PV-011G4 | 17 | 26/36 | 25/32 | 11.0/15.0 | |||||||
| PQ580PV-015G4 | 21 | 35/38.5 | 32/37 | 15/18.5 | 320 | 220 | 205 | 205 | 305 | 6Φ | ФИГ.4 |
| PQ580PV-18R5G4 | 24 | 38.5/46.5 | 37/45 | 18.5/22 | |||||||
| PQ580PV-022G4 | 30 | 46.5/62.5 | 45/60 | 22/30 | |||||||
| PQ580PV-030G4 | 40 | 62.5/76 | 60/75 | 30/37 | 360 | 220 | 218 | 160 | 348 | 7Φ | ФИГ.5 |
| PQ580PV-037G4 | 57 | 76/92 | 75/91 | 37/45 | 430 | 260 | 225 | 180 | 412 | 7Φ | ФИГ.6 |
| PQ580PV-045G4 | 69 | 92/113 | 91/112 | 45/55 | |||||||
| PQ580PV-055G4 | 85 | 113/157 | 112/150 | 55/75 | 590 | 263 | 275 | 200 | 570 | 9Φ | ФИГ.7 |
| PQ580PV-075G4 | 114 | 157/180 | 150/176 | 75/90 | |||||||
Пожалуйста, свяжитесь с нашими профессиональными техническими инженерами, Мы сделаем все возможное, чтобы служить вам
Отсканируйте код, чтобы получить дополнительную информацию